DDS-VFO für den Transceiver QRP 99-V


...oder andere Projekte


DDS99-V aufgebaut Der VFO ist das Herzstück jedes Transceivers oder Empfängers. Bei analog-VFO´s fällt vor allem ein Nachteil immer wieder ins Auge - die Frequenzdrift.

Des weiteren ist es mit vernünftigem Aufwand kaum möglich Frequenzen zu speichern oder etwa mit höherer Auflösung noch exakt darzustellen. Die Direkte Digitale Synthese - kurz DDS - eliminiert diese Probleme. Über lange Zeit waren DDS-IC´s - nicht zuletzt aufgrund ihres exorbitant hohen Preises in Verbindung mit der aufwändigen Steuerelektronik - fast ausschließlich kommerziellen Anwendern vorbehalten.
In den letzten Jahren hat sich diese Situation allerdings grundlegend geändert und sowohl die DDS-Chips als auch die zugehörigen Controller sind nun zu recht vernünftigen Konditionen verfügbar. Auch die Qualität des Ausgangssignals konnte durch verbesserte Technologien beträchtlich gesteigert werden.

Die vorliegende Baugruppe ist von der Bauform (Platine) her speziell für den QRP 99-V entwickelt worden, kann aber aufgrund ihrer universellen Gestaltungsweise auch für andere Projekte genutzt werden.

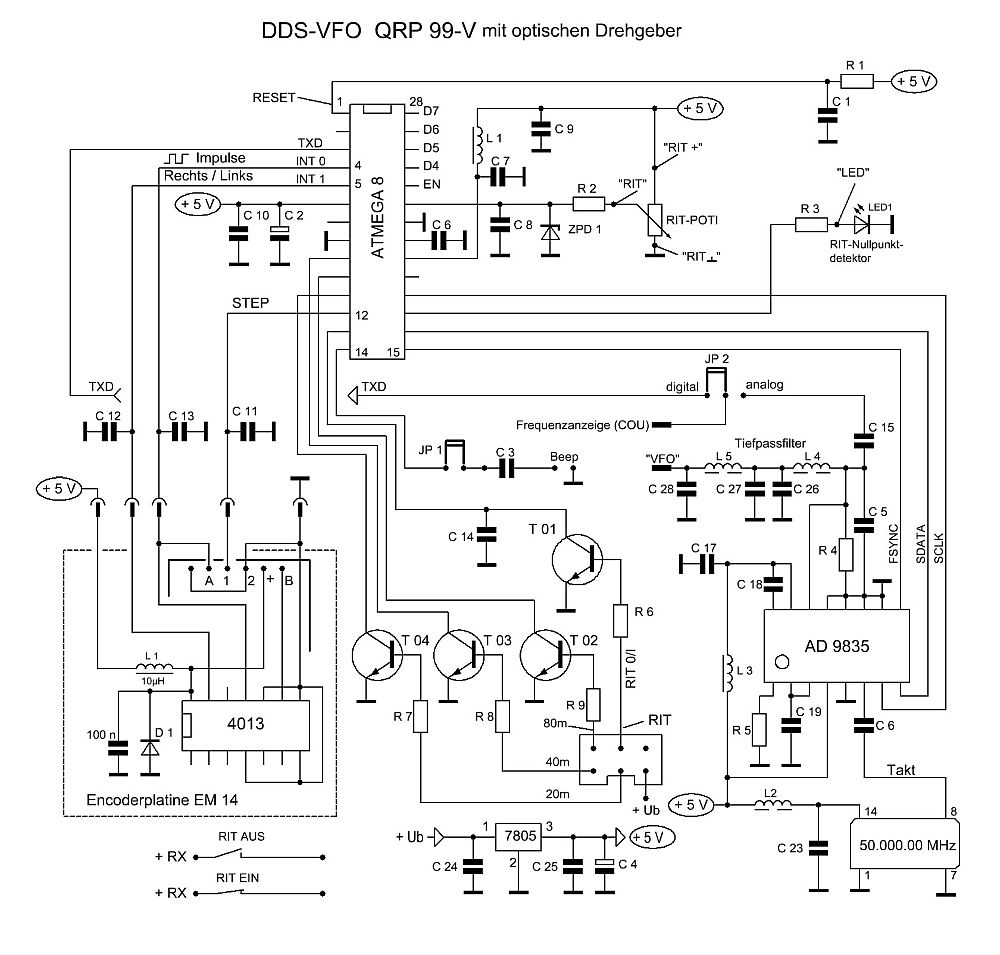
Das Kernstück bildet ein AD9835, der mit 50 MHz getaktet wird. Die Ansteuerung übernimmt ein AVR vom Typ ATMEGA-8 bzw. ATMEGA-88. Die maximale Ausgangsfrequenz liegt bei 20 Mhz, wobei zu beachten ist dass der Signalpegel ab etwa 10 MHz etwas absinkt.
Die Bandumschaltung erfolgt mit Gleichspannung und die RIT-Funktion wird mit einem Poti realisiert. Außerdem verfügt die Baugruppe noch über eine RIT-Nullpunktanzeige und ist selbstverständlich mit einer Abschirmung versehen.

Die Schrittweitenänderung erfolgt mit einem Taster - z.B. Drucktastenfunktion des Drehencoders - wobei die Länge des Tastendruckes ausgewertet wird. Ein mal kurz drücken bewirkt Schrittweite einen Schritt hoch und längerer Tastendruck (ca. 1 s) einen Schritt zurück. Das ganze wird von einem kurzen Quittungston (mit Jumper abschaltbar) begleitet.

Der Bausatz enthält auch die Befestigungsteile, sowie die Abschirmelemente. SMD-Teile wie z.B. C´s und der AD 9835 sind bereits vorbestückt.



Dieser Bausatz ist zur Zeit nur mit einem optischen Encoder lieferbar. Gegenüber dem mechanischen bietet das den Vorteil einer höheren Auflösung (64 Impulse pro Umdrehung) sowie einer verschleißfreien und lautlosen Impulserzeugung.

Stromlaufplan DDS99-V
DDS-Bausatz
  • Frequenzbereiche: 5,18 bis 5,52 / 1,78 bis 2,02 / 4,98 bis 5,37 MHz
  • andere Frequenzen auf Anfrage
  • Betriebsspannung 8 bis 15 V DC (intern 5 V)
  • HF-Ausgangsspannung 400 bis 600 mV, Sinus
  • Stromaufnahme ca. 60 mA
  • Schrittweiten: 1, 10, 100, 1000 Hz - über Taster wählbar
  • RIT-Abstimmung: Poti 2,2 bis 22 K möglich
  • Rit Nullpunkt-Anzeige (LED)
  • Steckverbinder und Kabel im Lieferumfang
  • Platinengröße 80 x 60 mm

Fertigbaugruppe: 65,00 €

optischer Encoder: 34,90 €    (Preise inklusive Mehrwertsteuer)